Air Signal

Contact Contact Us

Fax:0066(0)22742014

Tel:022742010/022742011

Email:sales@kayoshoji.com

Add:177 Soi Ratchada Niwet 1/5 Samsen Nok Huai Khwang

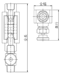
MKCTV type AIR SIGNAL

MKCTV type AIR SIGNAL

 
Flow rate can be seen with the naked eye because you are using a transparent tapered tube, with a display red line ball (or float)   it is possible to check the approximate flow rate by looking at the relationship between position. Flow rate with adjustable valve to adjust the miniature valve, by aligning the position of the display the red line the ball   is possible to set the required flow rate of. With protective cover by the metal protective cover, and reduce the possibility of damage due to impact or the like from the outside. Mounting orientation does not matter attitude of when mounting because it uses a spring inside the upward and downward and  can be done sideways, etc. freely.
 


 


 

 

 

Model List 
 Model     Dimensions (mm)  The maximum flow rate 
(L / min)
        
 Connection full length  Full width  Depth 
MKCTV20-1TA  Rc1 / 8 115 Thirty twenty two 150
MKCTV20-2TA Rc1 / 4 115 Thirty twenty two 150
MKCTV20-3TA Rc3 / 8 122 Thirty twenty five 200
When ordering, quote  Please specify the inside of. 
Model 
MKCTV □□ -  TA
 Regular flow rate  L / Min
Example: MKCTV20-2TA regular flow rate 100L / Min ※ model in the case of the connection R male thread will be MKCTV20- □ TOA. Example: MKCTV20-3TOA standard specification



 fluid gas
 Connection Rc female thread  Changes to the R male thread 
combination with R male thread is also available. 
 Heatproof temperature Maximum 80 ℃
 Breakdown 1MPa -
Material Transparent tube acrylic -
Fittings C3604 (brass) -
Protective cover BC (gunmetal) -
spring SUS304 -
Nylon ball Nylon 66 You may need to use a cylindrical float.
 O-ring Nitrile rubber 
 Miniature valve BC  Production in the lock nut with a valve is also possible.